一个按钮控制电机启动停止电路原理图解 很多老电工都搞不懂
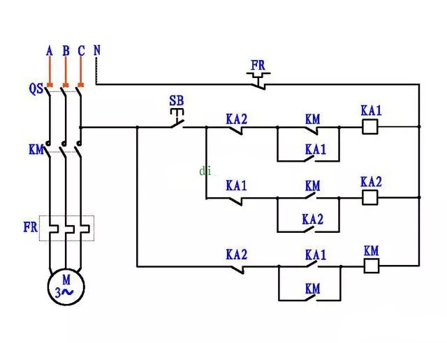
图1,即为一个按钮控制电机启动停止电路。

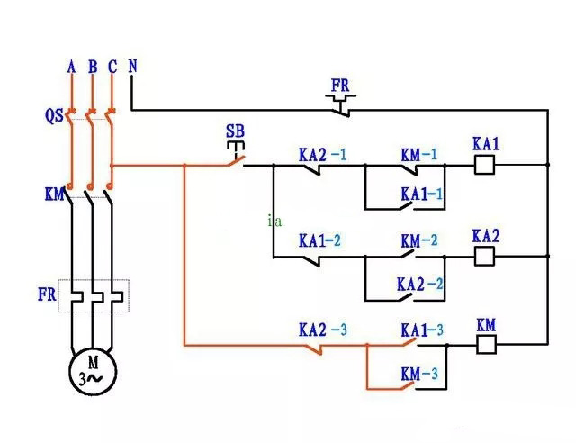
图1
图中,QS为断路器,KM为接触器,FR热继电器,SB按钮,KA1和KA2为两个中间继电器。图中带电部分标成红色。

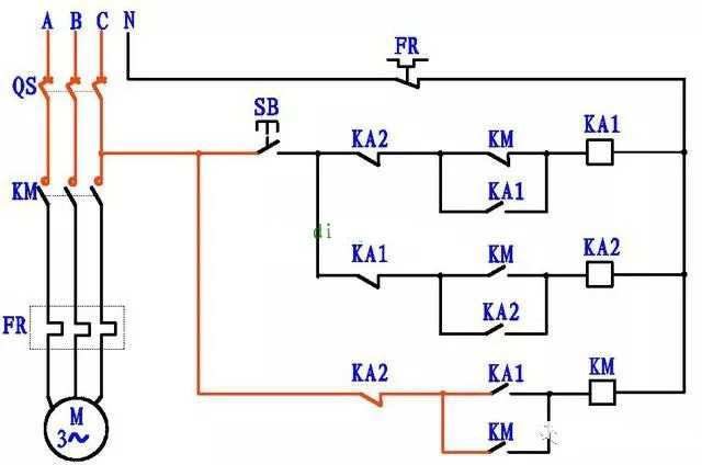
图2
图2,合上QS,图中红色为带电部分。

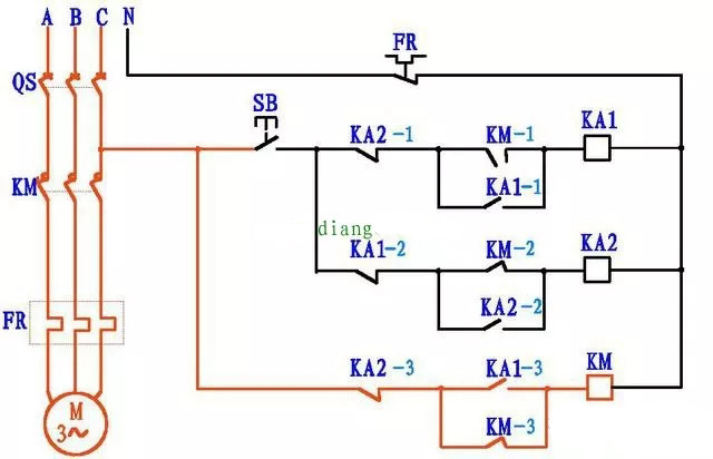
图3
图3,按下按钮SB不松开,如图,KA1线圈得电,KA1-1常开点闭合,起KA1自保作用。KA1-2常闭触电断开,使KA2线圈不得电。KA1-3常开闭合,使接触器KM线圈得电,KM-3常开闭合自保。电机启动。

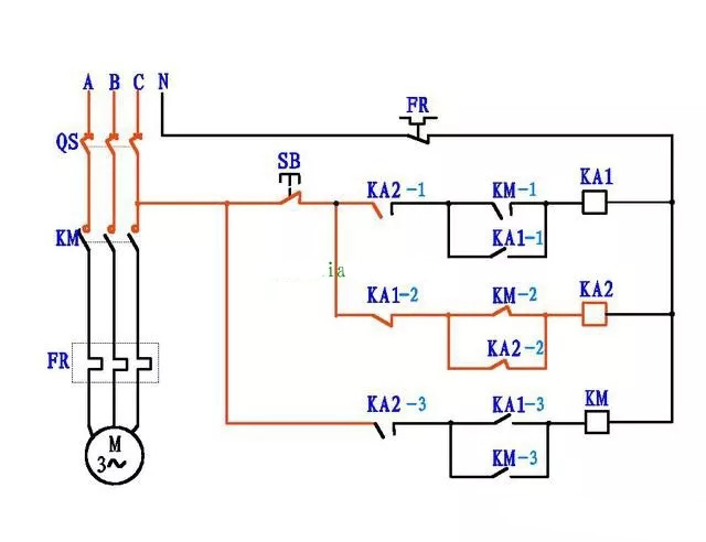
图4
图4,松开按钮SB,看图中各元件动作状况,由于这时接触器KM吸合自保,所以电机连续运行。咱们看图中变化,由于KM吸合,常闭触点KM-1断开,常开触点KM-2闭合。

图5,再次按下SB不松开,由于这时KM-1是断开的,KM-2是闭合的,所以,KA2线圈得电,KA2-1断开,使KA1线圈不能得电。KA2-2闭合,使KA2自保。KA2-3断开,使接触器KM线
圈断电释放,电机停止。

图6
图6,松开SB,电路恢复初始状态。如果您有不同意见,评论里提出来。
免责声明:文章来源于网络或个人发表,如有侵权请联系删除(13802804900)



