变频器控制柜中电抗器的选用要求
适当选配电抗器与变频器配套使用,可以有效地防止因操作交流进线开关而产生的过电压和浪涌电流对它的冲击,同时亦可以减少变频器产生的谐波对电网的污染,并可提高变频器的功率因数。因此,探讨与变频器配套用的各类电抗器的作用和容量选择等问题是十分必要的。
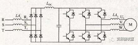
1)进线电抗器LA1。又称电源协调电抗器,它能够限制电网电压突变和操作过电压引起的电流冲击,有效地保护变频器和改善其功率因数。接入与未接入进线电抗器时,变频器输入电网的谐波电流的情况。
2)直流电抗器LDc。直流电抗器接在变频系统的直流整流环节与逆变环节之间,LDc能使逆变环节运行更稳定,及改善变频器的功率因数。
3)输出电抗器LA2。它接在变频器输出端与负载(电机)之间,起到抑制变频器噪声的作用。
这3种电抗器在变频器中的连接如图所示。

进线电抗器既能阻止来自电网的干扰,又能减少整流单元产生的谐波电流对电网的污染,当电源容量很大时,更要防止各种过电压引起的电流冲击,因为它们对变频器内整流二极管和滤波电容器都是有害的。因此接入进线电抗器,对改善变频器的运行状况是有好处的。根据运行经验,在下列场合一定要安装进线电抗器,才能保证变频器可靠地运行。
1)电源容量为600kVA及以上,且变频器安装位置离大容量电源在10m以内;
2)三相电源电压不平衡率大于3%;
3)其他晶闸管变流器与变频器共用同一进线电源,或进线电源端接有通过开关切换以调整功率因数的电容器装置。
三、进线电抗器容量的选择
进线电抗器的容量可按预期在电抗器每相绕组上的压降来决定。一般选择压降为网侧相电压的2%~4%。进线电抗器压降不宜取得过大,压降过大会影响电机转矩。一般情况下选取进线电压的4%(8.8V)已足够,在较大容量的变频器中如75kW以上可选用10V压降。
四、直流电抗器和输出电抗器的作用
在有直流环节的变频系统中,在整流器后接入直流电抗器可以有效地改善功率因数,配合得当可以将功率因数提高到0.95,另外,直流电抗器能使逆变器运行稳定,并能限制短路电流,所以很多厂家生产的55kW以上的变频器都随机供应直流电抗器。输出电抗器的主要作用是补偿长线分布电容的影响,并能抑制变频器输出的谐波,起到减小变频器噪声的作用。
免责声明:文章来源于网络或个人发表,如有侵权请联系删除(13802804900)



